|
Schön, dass du da bist,
Gast
|
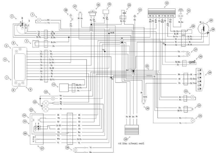
THEMA: Wie kann man den Spannungsregler prüfen?
Wie kann man den Spannungsregler prüfen? 06 Mär 2026 19:16 #1
|
|
|
Wie kann man den Spannungsregler prüfen? 07 Mär 2026 10:12 #2
|
|
Einer muss es ja machen!
(alle Angaben ohne Gewähr; Fehler und Irrtümer vorbehalten) |
Wie kann man den Spannungsregler prüfen? 07 Mär 2026 13:54 #3
|
|
|
.jpg)















