|
Schön, dass du da bist,
Gast
|
|
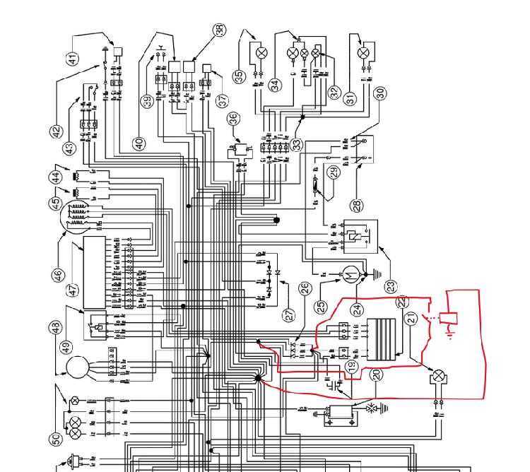
THEMA: Ladespannung " nur " 13.5 Volt
Ladespannung " nur " 13.5 Volt 26 Dez 2025 22:44 #1
|
|
|
Ladespannung " nur " 13.5 Volt 26 Dez 2025 22:47 #2
|
|
|
Ladespannung " nur " 13.5 Volt 27 Dez 2025 11:06 #3
|
|
Immer die gummierte Seite unten lassen!
Uli |
Ladespannung " nur " 13.5 Volt 27 Dez 2025 16:26 #4
|
|
|
Ladespannung " nur " 13.5 Volt 27 Dez 2025 16:44 #5
|
|
Immer die gummierte Seite unten lassen!
Uli |
Ladespannung " nur " 13.5 Volt 27 Dez 2025 18:03 #6
|
|
|
Ladespannung " nur " 13.5 Volt 27 Dez 2025 18:05 #7
|
|
|
Ladespannung " nur " 13.5 Volt 27 Dez 2025 19:04 #8
|
|
Immer die gummierte Seite unten lassen!
Uli |
Ladespannung " nur " 13.5 Volt 27 Dez 2025 22:56 #9
|
|
|
Ladespannung " nur " 13.5 Volt 28 Dez 2025 10:30 #10
|
|
|
|
















